Bosch Газовый котел настенный WBN6000-35C RN S5700
Производитель:
Серия:
Страна:
Гарантия:
Тип:
Тип топлива:
Мультитопливный:
Объем расширительного бака, л:
Тип камеры сгорания:
Монтаж:
Самовывоз: с 29 Апреля, бесплатно
Доставка: на 29 Апреля, 0 ₽
Установка: мастером
с 29 Апреля
на 29 Апреля
- Мощность котла по отоплению 12,2-37,4
- Низкий уровень шума
- Модулируемый вентилятор
- Стабильность при перепадах давления воды/газа
- Регулировка системы дымоудаления
- Защита от перегрева
- Защита от замерзания
- Степень защиты IPх4
- Закрытая камера сгорания
- Раздельные теплообменники (первичный медь, вторичный нержавеющая сталь)
- Световая индикация с функциями контроля пламени, неисправностей, режимов работы, температуры
- Комплектация: крепления, насос, манометр, расширительный бак, предохранительный клапан, автоматический воздухоотводчик
- Возможно подключение внешних регуляторов (приобретаются дополнительно)
Производитель:
Серия:
Страна:
Гарантия:
Тип:
Тип топлива:
Мультитопливный:
Объем расширительного бака, л:
Тип камеры сгорания:
Монтаж:
Площадь отопления:
Энергозависимость:
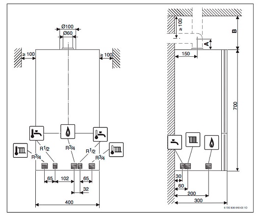
Ширина, см:
Глубина, см:
Высота, см:
Темп. подающей линии, С:
Ø дымохода, мм:
Количество контуров:
Диапазон температуры отопления, С:
Конденсационный:
Подогрев воды для ГВС:
Дымоход:
Управление:
Возможность программирования:
Программы:
Дисплей:
Поджиг:
Теплообменник:
Встроенный насос:
Электропитание, В:
Мощность, кВт:
Мощность контура ГВС, кВт:
Функционал:
Комплектация:
Вес, кг:
Пока что нет ни одного отзыва. Оставьте свой, чтобы помочь другим определиться с выбором.
Пока что нет ни одного вопроса. Задайте свой, мы ответим и пришлем уведомление на почту.


